局放儀和電流互感器如何完成接線操作
局部放電試驗裝置里除了有局放儀這類主要設備,也許還有電流互感器等相關的設備。那么這些設備如電流互感器和局放儀之間如何接線呢,下面和武漢合眾電氣一起來看看局放儀和電流互感器如何完成接線操作。
電流互感器局部放電試驗,試驗電壓由外施電源產生,一般有三種檢測方法:
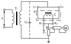
1)輸入單元和互感器串接,以雜散電容Cs取代耦合電容器Ck,其試驗接線如圖6-5-A所示。試驗變壓器一般按需要選用單級變壓器串接(例如單級電壓為60kV的3臺變壓器串接),其內部放電量應小于規定的允許水平?;ジ衅魅粲需F芯C端子引出,則并接在B處。電容式互感器的末屏端子也并接在B處。外殼最好接B,也可直接接地。
2)當干擾影響測量時,可采用鄰近相的互感器或性能相近的互感器連接成平衡回路的接線,如圖6-5-B所示,被試互感器施加高壓,非被試互感器不施加高壓,以降低干擾。此時采用脈沖鑒別系統測試效果更佳。
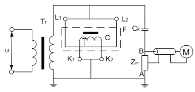
3)輸入單元和耦合電容器Ck串接,其試驗接線如圖6-5-C所示。外殼可直接接地。
Tr-試驗變壓器;C-鐵芯;F-外殼
Cx-被試互感器;Cc-鄰近相互感器
以上是局放儀和電流互感器如何完成接線操作,如果需要局放儀、互感器等,可聯系我們。
電流互感器局部放電試驗,試驗電壓由外施電源產生,一般有三種檢測方法:
1)輸入單元和互感器串接,以雜散電容Cs取代耦合電容器Ck,其試驗接線如圖6-5-A所示。試驗變壓器一般按需要選用單級變壓器串接(例如單級電壓為60kV的3臺變壓器串接),其內部放電量應小于規定的允許水平?;ジ衅魅粲需F芯C端子引出,則并接在B處。電容式互感器的末屏端子也并接在B處。外殼最好接B,也可直接接地。
2)當干擾影響測量時,可采用鄰近相的互感器或性能相近的互感器連接成平衡回路的接線,如圖6-5-B所示,被試互感器施加高壓,非被試互感器不施加高壓,以降低干擾。此時采用脈沖鑒別系統測試效果更佳。
3)輸入單元和耦合電容器Ck串接,其試驗接線如圖6-5-C所示。外殼可直接接地。
圖6-5-A 電流互感器試驗接線
Tr-試驗變壓器;C-鐵芯;F-外殼
圖6-5-B抑制干擾的平衡法接線
Cx-被試互感器;Cc-鄰近相互感器
圖6-5-C接有耦合電容器Ck的試驗接線
以上是局放儀和電流互感器如何完成接線操作,如果需要局放儀、互感器等,可聯系我們。
- 上一篇: 局放儀測量變壓器套管局部放電時如何接線
- 下一篇: 局放儀測量低壓側加壓如何接線





